| CÓDIGO | ACABADO |
|---|---|
| Consultar | PLÁSTICO |
| 210166 | ALUMINIO |
* Conjunto con
Mecanismo superior puerta corredera
Mecanismo inferior puerta corredera
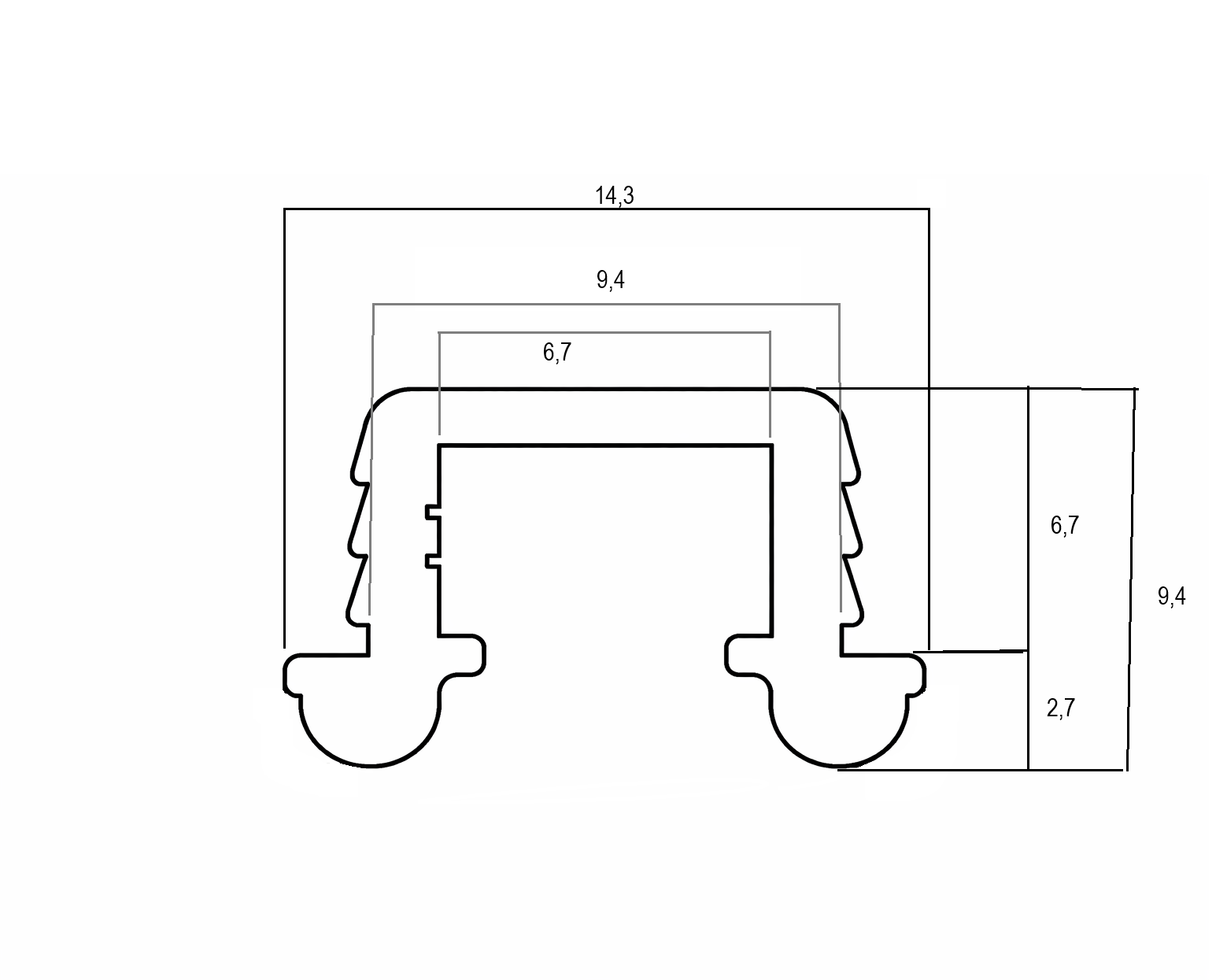
Guía para sistema corredera, fabricada en aluminio o plástico técnico, diseñada para el deslizamiento controlado de puertas o paneles en mobiliario.
Su perfil permite el desplazamiento suave y estable de las puertas, manteniendo la correcta alineación durante el uso.
El aluminio ofrece mayor rigidez y durabilidad, mientras que el plástico proporciona ligereza y funcionamiento silencioso.
Indicada para armarios, muebles modulares y sistemas de puertas correderas, compatible con paneles de madera, MDF y aglomerado.
* Conjunto con
Mecanismo superior puerta corredera
Mecanismo inferior puerta corredera
Guía corredera de aluminio o plástico, ideal para deslizamiento suave y estable de puertas en muebles.
| CÓDIGO | ACABADO |
|---|---|
| Consultar | PLÁSTICO |
| 210166 | ALUMINIO |
| CÓDIGO | ACABADO |
|---|---|
| Consultar | PLÁSTICO |
| 210166 | ALUMINIO |









