Sistema unión oculto

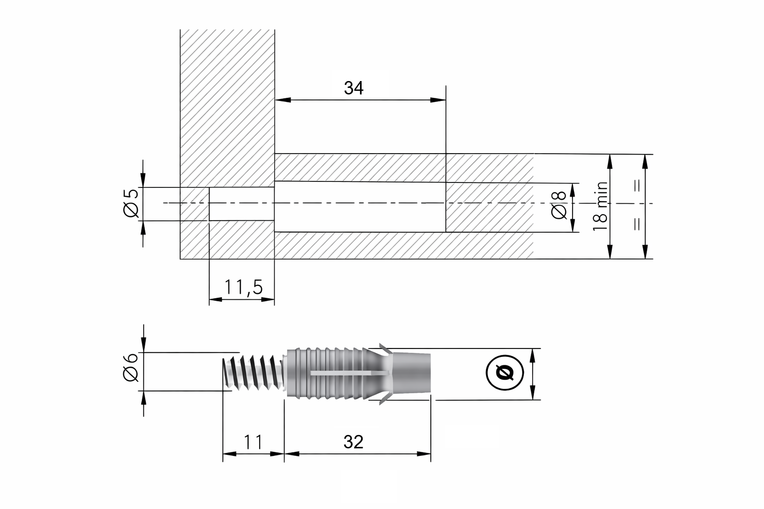
CÓDIGO TIPO Ø L
220110 CASQUILLO 8 32
220021 SOPORTE BARRA CON PIVOTE BLANCO 5 32

Sistema de unión oculto diseñado para el ensamblaje de muebles y estructuras modulares, permitiendo una fijación interna no visible desde el exterior.
Este tipo de sistema proporciona una unión firme, estable y estéticamente limpia, mejorando el acabado final del mueble.
Es compatible con paneles de MDF, aglomerado y madera, y suele utilizarse en combinación con excéntricas, pernos y conectores de unión.
Permite montajes desmontables, facilitando el transporte, montaje y mantenimiento del mobiliario.

Sistema unión oculto

Sistema de unión oculto para fijaciones internas, ideal para muebles modulares con acabado limpio y profesional.

CÓDIGO TIPO Ø L
220110 CASQUILLO 8 32
220021 SOPORTE BARRA CON PIVOTE BLANCO 5 32
CÓDIGO TIPO Ø L
220110 CASQUILLO 8 32
220021 SOPORTE BARRA CON PIVOTE BLANCO 5 32

Productos relacionados

Productos relacionados